Napište nám email
Zprávy

Konstrukce a údržba mini rypadel

2025-07-10 0 Nechte mi zprávu

Konstrukce a údržba mini rypadel


Mini Exterce Construction Innovation and Inteligentní údržba: Malé tělo nesoucí velké projekty


1 、 Analýza konstrukce Mini Exvators: Čtyřrozměrná technologie přetváření „kosmického kouzelníka“

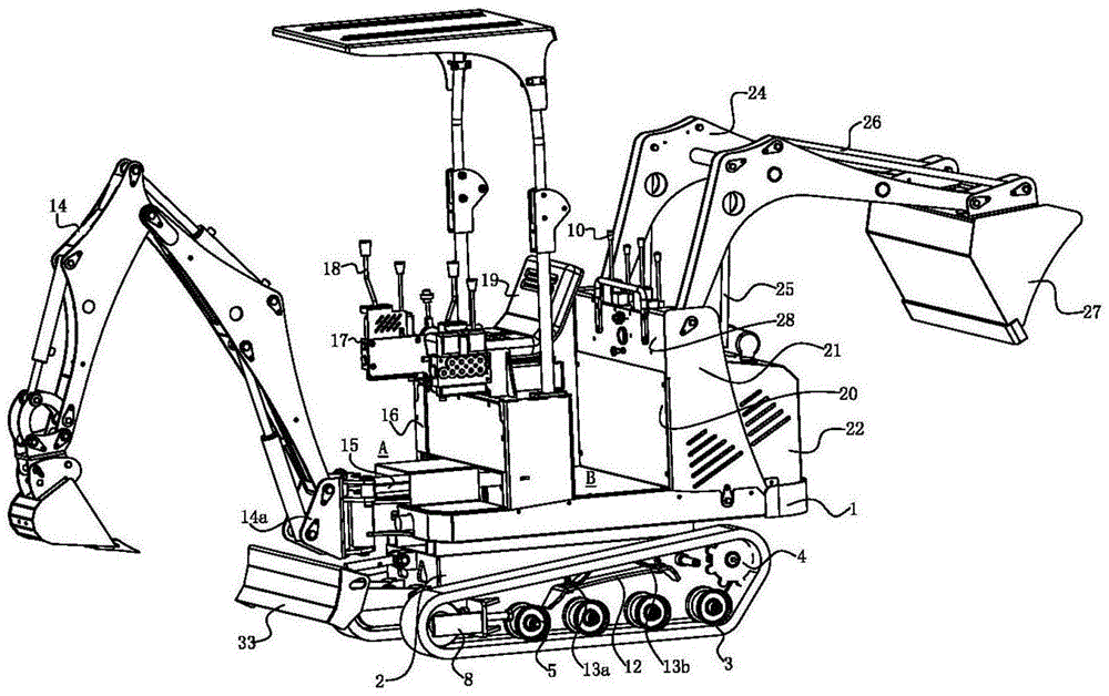
Podvozek a systém chůze:


Konstrukce tailless Turning Design: Modely, jako je Sany SY18U, přijímají strukturu „nulového ocasu“, s poloměrem otáčení ocasu pouze 0,86 metrů, což umožňuje rotaci volného tunelů 360 ° bez srážky se stěnami. Zároveň může naše 0,8tonové mini rypadlo také dosáhnout poloměru otáčení 1,1 m, což umožňuje volný a flexibilní provoz v úzkých prostorech.


Nastavitelný rámeček stopy: Měřič dráhy lze volně upravit (například SY16C podporující rozšiřování a kontrakci 980-1350 mm), což usnadňuje překročení úzkých uliček 1 metru. Uzemňovací tlak gumové dráhy je nízký jako 25 kPa a chrání zpevněnou zemi.


Samoobchodní ložiska: Chassis Yanmar používá plastová ložiska řady Iglidur G místo tradičních kuličkových ložisek, která jsou anti -znečišťováním, anti -rzi a bez údržby, což zvyšuje životnost třikrát.




Power and Hydraulic System:


Výkonová revoluce s dvojitou režimem: Malá rypadlo přijímá Kubota KX019, která podporuje přepínání nafty/elektrického one kliknutí, baterie 20KWH poskytuje 8hodinový rozsah a vnitřní provozní šum je až 66 decibelů.


Inteligentní hydraulická kontrola: Technologie citlivá na zátěž (jako je Shengang SK35SR-6) dosahuje přesnosti distribuce toku ± 1,8%, rychlost složené akční odezvy 0,7 sekundy a snížení spotřeby energie o 22%.




Vylepšení pracovního vybavení:


Struktura odolná proti opotřebení: kloubový kloub kompaktního rozmachu rypadlo prošel karburizační tepelné zpracování (tvrdost HRC55+) a kbelík je přivařen deskou odolnou proti opotřebení Harx500 (tvrdost HB500), čímž se prodlouží jeho životnost o 30%.


Patent na boční pohybující se rameno: Kubota U-15-3 dosahuje levé odchylky 595 mm/pravá odchylka 350 mm a výkop na zeď nevyžaduje pohyb těla.


Rotační zařízení, 360 ° všestranný provoz, flexibilní pro přizpůsobení se různým pracovním prostředí.


Upgrade interakce s lidským počítačem


Roll Over Resistence Cab: Certifikováno ROPS/FOPS (odolný vůči 16 tunům statického tlaku), vybavený plovoucími sedadly, dotykovým obrazovkou LCD a monitorováním okolního pohledu, snižování slepých míst o 40%.


2 、 Údržba a každodenní údržba:

Zlaté pravidlo každodenní údržby


Hydraulický olej: V létě použijte hydraulický olej proti opotřebení č. 68 a v zimě olej z nízké viskozity č. 32. Pravidelně kontrolujte čistotu NAS (≤ úroveň 8), aby se zabránilo opotřebení čerpadla a ventilu.


Cyklus plnění másla: Vstřikujte mazivo každých 10 dní pro rotační ložisko a vstřikujte vysokotlaké mazivo každé 4-8 hodin pro závěsné bod pracovního zařízení, aby nedošlo k uvíznutí hřídele špendlíku.




Technika prodlužování života klíčových součástí:


Systém sledování: Upravte napětí tak, aby se zabránilo příliš volnému (skákání zubů) nebo příliš těsné (zrychlující opotřebení); Pravidelně očistěte štěrk, aby se zabránilo selhání těsnění podpůrného kola.


Údržba „Wear Iron Triangle“:

Sledujte inspekci bot pro trhliny/500H

Zuby říkacího kola jsou ploché a okamžitě nahrazují

Je třeba opravit únik inertního těsnění oleje

Podle statistik Stowers CAT je těmito třemi typy komponent způsobeno 80% selhání podvozku.


Pokyny pro zpracování extrémních pracovních podmínek:


Provoz vysoké nadmořské výšky: Turbodmychadlem Mini Exavator má kompenzaci výkonu 15%a hydraulický systém je vybaven tlakovým kompenzačním ventilem, aby se zabránilo ztrátě toku.

Operace brodění vody: Při italské záchraně povodně dosáhl moderní HX35AZ hloubku brodění 0,8 metrů prostřednictvím modulu uzavřeného obvodu.


Dlouhodobé standardy skladování:


Zaparkujte v suché místnosti, podpořte stopy ke snížení uzemňovacího tlaku;

Vyplňte palivovou nádrž, abyste zabránili kondenzaci, zatáhněte všechny hydraulické válce, abyste zabránili stárnutí těsnění;

Začněte jednou za 3 měsíce, abyste zabránili vlhké desce.


3 、 Technologická hranice: Elektrifikace a inteligentní restrukturalizace průmyslové ekologie

Power Revolution:


Modulární baterie: Hitachi ZX55U-6EB podporuje dvojí pohon komerčního napájení a baterie, přičemž 2hodinové rychlé nabíjení splňuje 10 hodin provozu za 6 hodin.


Test vodíkové energie: HD Hyundai vyvinula vodíkový palivový motor (HX12) k dosažení nulové konstrukce uhlíku.


Prediktivní údržba:


Vzdálená diagnostika IoT: Sany SY35U je vybavena systémem Hi Mate, který analyzuje údaje o teplotě a vibracích oleje v reálném čase, s mírou přesnosti varování o poruše 92%.


Pomoc s údržbou AR: Kaise Micro Exvator poskytuje provozní trénink VR pro malé rypadlo, simuluje 30 scénářů poruch a zlepšení účinnosti údržby o 40%.


4 、 Praktické svědky: Od starověkého obnovy domu po těžbu

Obnovení rezidence učence dynastie Ming a Qing v Taizhou: Kubota U-15-3s Malé rypadla dokončila výkop podzemního potrubí po příkopu 0,85 metru a postranní pohybová funkce boomu chránila starodávnou stěnu 95% intaktovou mírou.


Podzemní operace v chilském měděném dole: kompaktní rypadla s upravenou vyztuženou kabinou provozovanou nepřetržitě po dobu 300 hodin bez jakýchkoli poruch, což má za následek snížení nákladů na zatížení.


Tokio Nighttime Municipal Construction: Čistá elektrická verze Sany Sy19e Mini Excvator pracuje tiše na 66 decibely, což řeší problém „stavebního časového okna“.


Závěr: Malé tělo nese velkou budoucnost

Od ultratenkého modelu 0,8 tunu po 4tunový válečník probíhají malé rypadlo trojitým vývojem přesné konstrukce, diverzifikované zdroje energie a inteligentní údržbu, což přetváří globální stavební paradigma. Vzhledem k tomu, že roční prodej přesahující 3100 jednotek na indickém trhu a odhadovanou mírou penetrace 40% pro elektrické motory do roku 2025, je tato technologická revoluce „používání malého k získání velkých“ určena k odhalení jedinečné příležitosti na trhu bilionů dolarů.


Zkušenosti s údržbou průmyslu:

U kompaktních rypavodů je Precision Design páteř, zatímco inteligentní údržba je záchranná společnost, šetří náklady na údržbu 1 juan a snížení nákladů na opravu o 10 juanů.



Související novinky
Nechte mi zprávu
mobilní, pohybliví
Adresa
Changjiang West Road, okres Huangdao, město Qingdao, provincie Shandong, Čína
X
Používáme cookies, abychom vám nabídli lepší zážitek z prohlížení, analyzovali návštěvnost webu a přizpůsobili obsah. Používáním tohoto webu souhlasíte s naším používáním souborů cookie. Zásady ochrany osobních údajů
Odmítnout Přijmout